These Tech data files are here to help you in various issues concerning AMCs.
If you want to open them from the site, double click, to save them right-click
and choose "Save Target As" and choose a filename you want them saved
as.
Nämä Teknistä tietoa sisältävät tiedostot ovat
täällä auttaaksesi sinua AMC:hin liittyvissä asioissa. Jos
haluat tallentaa ne myöhempää käyttöä varten,
hiirestä oikeaa nappi linkin kohdalla ja valitse "Tallenna Kohde Nimellä"
(tms) ja valitse tallennettavalle tiedostolle nimi.
Jos sivuilta puuttuu mielestäsi jokin tänne sopiva tekninen kaavio
tai tieto, ilmoittele asiasta Foorumiin niin lisään sen.
| Tech Tips by AMCCF (These easy tips assume that you have prior knowledge of working on cars) |
| Electric Wipermotor Installment (using a easy-to-find & cheap parts from a euro-car) SUOMEKSI |
| Heater Blower Motor Installment (using a easy-to-find & cheap parts from a jap-car) SUOMEKSI |
| |
| Information on AMC / Rambler / Jeep / Hudson / Nash Transmissions |
| |
| The AMC Transmission Lists (check these out before looking for the right info down below) |
| AMC Manual & Overdrive Transmissions List (click here for Excel Format) |
| AMC Automatic Transmissions List (click here for Excel Format) |
| AMC Tranny Lists Support (People that helped me collect all the information) |
| |
| Borg-Warner Alumnium Automatics (used with Sixes & 2bbl V8s until 1971, see lists for more info) |
| M-42(199) / M-43(232) Converter Housing, Case & Extension (from '67-'72 Parts Manual) |
| M-44 (290/304) Converter Housing, Case & Extension (from '67-'72 Parts Manual) |
| M-42 / M-43 / M-44 Front Pump, Clutches & Carrier (from '67-'72 Parts Manual) |
| M-42 / M-43 / M-44 Valve Assembly (from '67-'72 Parts Manual) |
| M-42 / M-43 / M-44 Front Servo & Band (self adjusting) (from '67-'72 Parts Manual) |
| M-42 / M-43 / M-44 Front Servo & Band (manually adjustable) (from '67-'72 Parts Manual) |
| M-42 / M-43 / M-44 Rear Servo & Band (from '67-'72 Parts Manual) |
| M-42 / M-43 / M-44 Parking Lock & Manual Control (from '67-'72 Parts Manual) |
| M-42 / M-43 / M-44 Maintenance & Overhaul Procedures & Pics 1/3 (from '70 TSM) |
| M-42 / M-43 / M-44 Maintenance & Overhaul Procedures & Pics 2/3 (from '70 TSM) |
| M-42 / M-43 / M-44 Maintenance & Overhaul Procedures & Pics 3/3 (from '70 TSM) |
| |
| Borg-Warner Cast-Iron Automatics (used with 4bbl V8s until 1971, see lists for more info) |
| M-10 / M-11 / M-12 Converter Housing, Case & Extention (from '67-'72 Parts Manual) |
| M-10 / M-11 / M-12 Front Pump, Clutches & Carrier (from '67-'72 Parts Manual) |
| M-10 / M-11 / M-12 Valve Assembly (from '67-'72 Parts Manual) |
| M-10 / M-11 Front Servo & Band (self adjusting) (from '67-'72 Parts Manual)
|
| M-10 / M-11 Front Servo & Band (manually adjustable) (from '67-'72 Parts Manual)
|
| M-10 / M-11 Rear Servo & Band (from '67-'72 Parts Manual) |
| M-12 Front Servo & Band (from '67-'72 Parts Manual) |
| M-12 Rear Servo & Band (from '67-'72 Parts Manual) |
| M-10 / M-11 / M-12 Parking Lock & Manual Control (from '67-'72 Parts Manual) |
| |
| Torqueflyte Series Automatics (used with all engines starting 1972) |
| TF-904 Case, Retainer, Servos (from '67-'72 Parts Manual) |
| TF-998 Case, Retainer, Servos (from '67-'72 Parts Manual) |
| TF-904 / TF-998 Converter, Pump, Clutches (from '67-'72 Parts Manual) |
| TF-904 / TF-998 Valve Assembly (from '67-'72 Parts Manual) |
| TF-727 Case, Retainer, Servos (from '67-'72 Parts Manual) |
| TF-727 Converter, Pump, Clutches (from '67-'72 Parts Manual) |
| TF-727 Valve Assembly (from '67-'72 Parts Manual) |
| |
| Other Automatic Transmissions Information |
| BW Oil Cooler Tubes Assembly (Sixes) (from '67-'72 Parts Manual) |
| BW Oil Cooler Tubes Assembly (V8s) (from '67-'72 Parts Manual) |
| Throttle Control Vacuum Tube (similar on all BW transmissions) (from '67-'72 Parts Manual) |
| Torqueflyte Throttle Valve Linkage & Oil Cooling Lines (Sixes) (from '67-'72 Parts Manual)
|
| Torqueflyte Throttle Valve Linkage & Oil Cooling Lines (V8s) (from '67-'72 Parts Manual)
|
| |
| Manual Transmissions |
| Borg-Warner T-96 (SIX) Manual Transmission (from '70 TSM) |
| Borg-Warner T-96 (SIX) 3-speed Manual Transmission (from '67-'72 Parts Manual) |
| Borg-Warner T-14 (SIX) 3-speed Manual Transmission (from '67-'72 Parts Manual) |
| Borg-Warner T-15 (V8) 3-speed Manual Transmission (from '67-'72 Parts Manual) |
| Borg-Warner T-10 (V8) 4-speed Manual Transmission part 1 and part 2 (from '67-'72 Parts Manual) |
| |
| Overdrive Transmissions |
| Borg-Warner T-96 (SIX) Overdrive Transmission and Overdrive Unit (from '67-'72 Parts Manual) |
| Borg-Warner T-14 (SIX) Overdrive Transmission and Overdrive Unit (from '67-'72 Parts Manual) |
| Borg-Warner T-15 (V8) Overdrive Transmission and Overdrive Unit (from '67-'72 Parts Manual) |
| Maintenance Procedures for Borg Warner's Overdrive Tranny from '54 (IN FINNISH) |
| |
| Clutch |
| AMC Clutch Assembly (self-adjusting type) (from '67-'72 Parts Manual) |
| Six Clutch Pedal Linkage Assembly (from '72 TSM) |
| |
| Information on AMC / Rambler / Jeep / Hudson / Nash Engines |
| |
| The AMC/Jeep Inline Six (199cid, 232cid, 258cid) |
| Picture of a Typical AMC Inline Six Engine (199/232/258) (from '71 Owner's Manual)
|
| 199 / 232 / 258cid Engine (from '72 TSM) |
| 199 / 232 / 258cid Engine Block / Crankshaft / Camshaft Assembly (from '67-'72 Parts Manual) |
| 199 / 232 / 258cid Cylinder Head Assembly (from '67-'72 Parts Manual) |
| 199 / 232 / 258cid Distributor Assembly (from '67-'72 Parts Manual) |
| 199 / 232 / 258cid Oil Pump Assembly & Components (from '72 TSM) |
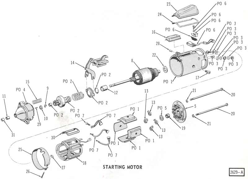
| Six Starter Assembly (with solenoid) (from '67-'72 Parts Manual) |
| Six Starter Assembly (with external solenoid) (from '67-'72 Parts Manual) |
| Six Engine Specifications (Dimensions, Camshafts, Connecting Rods, Pistons...) (from '75 TSM) |
| AMC Inline Six Torque Specs (232/258) (from '75 TSM) |
| |
| The AMC/Jeep V8 (290cid, 304cid, 343cid, 360cid, 390cid, 401cid) |
| Picture of a Typical AMC V8 Engine (304/360/401) (from '71 Owner's Manual) |
| V8 Engine block Assembly (from '67-'72 Parts Manual) |
| V8 Crankshaft & Camshaft Assembly (from '67-'72 Parts Manual) |
| V8 Distributor Assembly (Delco-Remy) (from '67-'72 Parts Manual) |
| V8 Distributor Assembly (AM) (from '67-'72 Parts Manual) |
| V8 Oil Pump Assembly & Components (räjäytyskuva) |
| V8 Cylinder Head Assembly (bridged rockers) (from '67-'72 Parts Manual) |
| V8 Cylinder Head Assembly (pivot rockers) (from '67-'72 Parts Manual) |
| V8 Cylinder Head indentification information by Casting Numbers (Excel format) |
| V8 Starter Assembly (with solenoid) (from '67-'72 Parts Manual) |
| V8 Starter Assembly (with external solenoid) (from '67-'72 Parts Manual) |
| V8 Engine Specifications (Dimensions, Camshafts, Connecting Rods, Pistons... (from '75 TSM) |
| V8 Torque Specs (304/360/401) (from '75 TSM) |
| |
| Rear Axles |
| AMC-15 (10bolt) Open Rear Axle Assembly (->'69) (from '67-'72 Parts Manual) |
| AMC-15 (10bolt) Locker Rear Axle Assembly (->'69) (from '67-'72 Parts Manual) |
| AMC-15 (10bolt) Open Rear Axle Assembly ('70->) (from '67-'72 Parts Manual) |
| AMC-15 (10bolt) Locker Rear Axle Assembly ('70->) (from '67-'72 Parts Manual) |
| AMC-20 (12bolt) Open Rear Axle Assembly (cars with leaf springs) (from '67-'72 Parts Manual) |
| AMC-20 (12bolt) Locker Rear Axle Assembly (cars with leaf springs) (from '67-'72 Parts Manual) |
| AMC-20 (12bolt) Open Rear Axle Assembly (cars with coil springs) (from '67-'72 Parts Manual) |
| AMC-20 (12bolt) Locker Rear Axle Assembly (cars with coil springs) (from '67-'72 Parts Manual) |
| |
| Steering Gear |
| Power Steering Pump Assembly (Sixes) (from '67-'72 Parts Manual) |
| Power Steering Pump Assembly (V8s) (used until '71) (from '67-'72 Parts Manual) |
| Power Steering Pump Assembly (V8s) (used after '72) (from '67-'72 Parts Manual) |
| Power Steering Gear Assembly (from '67-'72 Parts Manual) |
| Steering Gear Assembly (non-power) (early type) (from '67-'72 Parts Manual) |
| Steering Gear Assembly (non-power) (late type) (from '67-'72 Parts Manual) |
| |
| Fuel System |
|
Carburetor 1bbl (SIX) RBS-series (from '67-'72 Parts Manual)
|
| Carburetor 1bbl (SIX) R-series (from '67-'72 Parts Manual) |
| Carburetor 1bbl (SIX) Carter YF-series (from '67-'72 Parts Manual) |
| Carburetor 2bbl (SIX) R-series (from '67-'72 Parts Manual) |
| Carburetor 2bbl (SIX) WCD-series (from '67-'72 Parts Manual) |
| Carburetor 2bbl (V8) HM & HA -series (from '67-'72 Parts Manual) |
| Carburetor 2bbl (V8) ODA & ODM -series (from '67-'72 Parts Manual) |
| Carburetor 4bbl (V8) Carter AFB-series part 1 and part 2 (from '67-'72 Parts Manual) |
| Carburetor 4bbl (V8) OWM & OWA -series (from '67-'72 Parts Manual) |
| Fuel Pump (SIX & V8) (design used until '68) (from '67-'72 Parts Manual) |
| Fuel Pump (SIX & V8) (design used starting '69) (from '67-'72 Parts Manual) |
| AMC gas pedal linkage picture (from '75 TSM) |
| |
| Vacuum System |
| Vacuum routing diagrams (incl. EGR) ('75-'78) (Useful for others as well) |
| '70s Vacuum Diagram (by John T Elle) |
| '70s Generic PCV Diagram (by John T Elle) |
| |
| Cooling System |
| AMC cooling system picture |
| AMC cooling system info (from '75 TSM) |
| '70-'74 Temperature Gauge Calibration Hornet/Gremlin (in Fahrenheit degrees) |
| Air Conditioning Compressor Assembly (from '67-'72 Parts Manual) |
| |
| Brakes |
| Front Drum Brakes Assembly (Wagner) Six (from '67-'72 Parts Manual) |
| Front Drum Brakes Assembly (Bendix) Six (from '67-'72 Parts Manual) |
| Front Drum Brakes Assembly (Bendix) V8 (from '67-'72 Parts Manual) |
| Front Disc Brakes Assembly (non-ventilated, 4 piston, used up to 1971) (from '67-'72 Parts Manual) |
| Front Disc Brakes Assembly (non-ventilated, 4 piston, used up to 1971) |
| Front Disc Brake Caliber Assembly (non-ventilated, 4 piston, used up to 1971) |
| Front Disc Brakes Assembly (Kelsey-Hayes, ventilated, 1 piston, used 1971-76, 1982-88 is similar) (from '67-'72 Parts Manual) |
| Front Disc Brakes Assembly (Bendix, ventilated, 1 piston, used 1977-81) |
| Rear Drum Brakes Assembly (Wagner) Six (from '67-'72 Parts Manual) |
| Rear Drum Brakes Assembly (Wagner) V8 (from '67-'72 Parts Manual) |
| Power Brakes Booster Assembly (type 1, used on bigger body cars & hd applications) |
| Power Brakes Booster Assembly (type 2, used on smaller body cars) (from '67-'72 Parts Manual) |
| Master Cylinder Assembly (type 1, cover attached with a screw) (from '67-'72 Parts Manual)
|
| Master Cylinder Assembly (type 2, cover attached with clips) (from '67-'72 Parts Manual)
|
| Master Cylinder Assembly (type 3, cover attached with a clamp) (from '67-'72 Parts Manual)
|
| |
| Windshield Wipers |
| Electric Windshield Wiper Motor Assembly (from '67-'72 Parts Manual) |
| Vacuum Windshield Wiper Motor Assembly (from '67-'72 Parts Manual) |
| |
|
Electrical
|
| Alternator Assembly (Leece-Neville) (from '67-'72 Parts Manual) |
| Alternator Assembly (AM) (from '67-'72 Parts Manual) |
| Alternator Assembly (Motorola) (from '67-'72 Parts Manual) |
| '71 Hornet / Gremlin - bulbs, fuses & circuitbreakers (From '71 Owner's Manual) |
| '71 Matador / Ambassador - bulbs, fuses & circuitbreakers (From '71 Owner's Manual) |
| '71 Javelin- bulbs, fuses & circuitbreakers (From '71 Owner's Manual) |
| |
| Wiring Diagrams |
| '63 American Chassis |
| '63-'64 American Overdrive & "E" Stick |
| '63 Series 10 / 80 (Classic & Ambassador) Chassis |
| '63-'64 Series 10 / 80 (Classic & Ambassador) Overdrive |
| '63-'64 Series 10 / 80 (Classic & Ambassador) "E" Stick |
| '63-'66 Power Tailgate Windows |
| '68 Javelin (1/3) |
| '68 Javelin (2/3) |
| '68 Javelin (3/3) |
| '70-'74 Hornet/Gremlin (1/3) |
| '70-'74 Hornet/Gremlin (2/3) |
| '70-'74 Hornet/Gremlin (3/3) |
| '84-> Six cylinder Wiring Diagram 1/2 |
| '84-> Six cylinder Wiring Diagram 2/2 |
| |
| Wiring Harness Diagrams |
| Wire Harness of '70-'74 Hornet/Gremlin - V8 Engine |
| Wire Harness of '70-'74 Hornet/Gremlin - I6 Engine |
| Wire Harness of '70-'74 Hornet/Gremlin - Trunk |
| Wire Harness of '70-'74 Hornet/Gremlin - Dashboard |
| |
| Other Useful Technical Info |
| '71 Specs & Tuneup Data (1/2) (From '71 Owner's Manual) |
| '71 Specs & Tuneup Data (2/2) (From '71 Owner's Manual) |
| A list of cars that share the AMC bolt pattern (collected by A-V Nauha) |
| AMC Shocks Cross Reference (using NAPA numbers by John T Elle) |
| AMC / Nash / Hudson Chassis Series/Group Codes (1955 - 1988) (by Arfon Gryffydd) |
| |